
Thông số kỹ thuật chính
• Điện áp danh định (Un): 3x220V/380V
• Dải điện áp hoạt động: 70%Un-130%Un
• Dòng điện danh định: 3×5(100) A
• Tần số: 50Hz ± 0.5Hz
• Tiêu thụ điện năng:
– Mạch áp ≤ 1.5W/8VA
– Mạch dòng ≤ 1VA
• Cấp chính xác: Cấp 1.0 (hữu công), cấp 2.0 (vô công)
• Hằng số xung: 1000 imp/kWh, đèn LED phát xung ở mặt trước công tơ.
• Nguồn cấp: thông qua mạch áp đầu vào.
• Nhiệt độ:
– Nhiệt độ hoạt động: – 25°C ~ +70°C
– Nhiệt độ lưu trữ: – 40°C ~ +70°C
• Độ ẩm tương đối: ≤ 95%
• Cấp bảo vệ: IP54
• Cấp bảo vệ cách điện: 2
Cổng truyền thông
• RS485, optical port.
• Phù hợp tiêu chuẩn IEC 62056-21
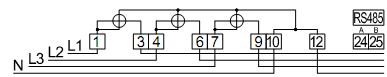
Sơ đồ nối dây

LIÊN HỆ MUA HÀNG : 0963807094











